Un relé de protección diferencial es un dispositivo de protección eléctrica basado en el principio de restricción magnética de CA, utilizado principalmente para detectar fallos de cortocircuito internos en equipos como transformadores y generadores. Determina los fallos comparando las diferencias de corriente medidas por los transformadores de corriente (CT) en dos puntos del sistema.
La protección diferencial funciona según la Ley de Corrientes de Kirchhoff (KCL). Cuando un transformador funciona normalmente o durante fallos externos, puede considerarse como un transformador ideal: la corriente entrante es igual a la saliente (después de la conversión). En este caso, el relé diferencial no actúa. Cuando se produce un fallo interno en el transformador, ambos lados (o tres lados) suministran corriente de cortocircuito al punto de falla. Las corrientes secundarias resultantes se suman proporcionalmente a la corriente de falla, y el relé diferencial actúa.

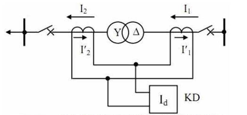
Cuando un transformador está en funcionamiento normal, basándose en la KCL, la corriente que fluye hacia el transformador es igual a la corriente que sale. Con los CT correctamente conectados con la polaridad adecuada en ambos lados del transformador, la corriente secundaria en el lado de alta tensión y la corriente secundaria en el lado de baja tensión son iguales en magnitud pero opuestas en dirección. Su suma vectorial en el relé es cero, por lo que la protección no actúa. En la práctica, un lado (alta o baja tensión) debe tener la polaridad invertida al cablear, ya que el propio relé no invierte internamente la polaridad.

Como se muestra a continuación, durante el funcionamiento normal, las corrientes secundarias de los CT son iguales y opuestas, por lo que la protección no se dispara. El relé solo actúa cuando ocurre un fallo dentro de la zona entre los CT.
Cuando ocurre un fallo (como un cortocircuito entre fases o entre espiras) dentro de esta zona, fluye la corriente de falla, rompiendo el equilibrio de corriente. La dirección de la corriente primaria cambia y, tras la inversión de polaridad de los CT, la suma vectorial de las corrientes secundarias ya no es cero sino aditiva. Una vez que la corriente diferencial supera el umbral preestablecido del relé, este emite una señal de disparo, abriendo los interruptores en ambos lados del transformador y aislando el transformador fallado del sistema eléctrico.
La protección diferencial es una de las protecciones principales para transformadores, específicamente un esquema de protección diferencial longitudinal. Las razones incluyen:
Alta sensibilidad
Los transformadores son críticos en los sistemas eléctricos. Los fallos internos, como los cortocircuitos entre fases o entre espiras, pueden tener consecuencias graves. La protección diferencial longitudinal detecta estos fallos rápidamente, disparando normalmente en decenas de milisegundos, limitando así el impacto del fallo y evitando daños al transformador y al equipo conectado. Esto garantiza la estabilidad y confiabilidad del sistema.
Alta selectividad y confiabilidad
La protección diferencial solo responde a fallos dentro de su zona de protección. Para fallos externos, permanece inactiva. Utilizando la KCL, compara las magnitudes y fases de la corriente en ambos lados del transformador. Con un cableado de CT correcto y ajustes de relé adecuados, evita disparos falsos durante el funcionamiento normal, mientras actúa con precisión durante los fallos. Su selectividad aísla los fallos dentro de un área muy pequeña, minimizando los cortes y mejorando la continuidad y calidad del suministro.
Amplia aplicabilidad
La protección diferencial funciona independientemente de las condiciones de funcionamiento del sistema. Ya sea sin carga, a plena carga o bajo cualquier carga, actúa de forma fiable al detectar corrientes anormales dentro de su zona de protección. Detecta no solo cortocircuitos entre fases, sino también fallos a tierra y otros fallos internos.
Debido a estas ventajas, la protección diferencial se considera una salvaguarda primordial para equipos críticos, desempeñando un papel clave para garantizar el funcionamiento seguro y estable del sistema eléctrico.
Como dispositivos de protección clave, la configuración y las pruebas correctas de los relés diferenciales afectan directamente a la seguridad y estabilidad de la red. Los siguientes consejos probados en el campo pueden ayudar a evitar errores comunes:
Emparejamiento y polaridad de los CT
El núcleo de la protección diferencial reside en el emparejamiento y la calibración de los CT. Compruebe siempre las relaciones de transformación y la polaridad de los CT con cuidado. ¡Un caso real implicó disparos falsos frecuentes en una subestación debido a la polaridad invertida de un CT, descubierta solo después de dos días de resolución de problemas! Utilice siempre un equipo de prueba de relés de protección para verificar la consistencia de la polaridad de los CT antes de la puesta en servicio.

Características de restricción
Los ajustes adecuados de las características de restricción son cruciales. Se recomienda una curva de restricción de pendiente múltiple (lineal por tramos) en lugar de una simple línea recta. Normalmente, la primera pendiente se establece en 0,2–0,3 y la segunda en 0,5–0,7, aunque las condiciones reales del sistema pueden requerir ajustes. No olvide configurar la corriente de restricción mínima, generalmente entre el 10% y el 20% de la corriente nominal, para evitar fallos de funcionamiento durante fallos externos.
Resistencia del circuito secundario
Muchos ingenieros pasan por alto la resistencia del circuito secundario. Una resistencia excesiva puede causar la saturación del CT, degradando el rendimiento de la protección. Mida siempre la resistencia del lazo por fase utilizando un medidor de resistencia de lazo y asegúrese de que los valores estén dentro de los límites. Si la resistencia es alta, compruebe las conexiones de los terminales y los tamaños de los cables.
Influencia de los armónicos
En sistemas con muchos dispositivos electrónicos de potencia, la protección diferencial puede verse afectada por los armónicos. Active la función de bloqueo de armónicos en el relé: por ejemplo, bloquee la operación si el tercer armónico supera el 20% de la corriente nominal. Esto previene eficazmente los disparos falsos.
Mantenimiento regular
El mantenimiento de rutina es vital. Realice una prueba funcional del relé diferencial cada trimestre simulando un fallo interno para verificar las características de disparo. Registre todos los datos de las pruebas y establezca un análisis de tendencias para detectar problemas potenciales de forma temprana.
Con un diseño, configuración y mantenimiento correctos, los relés de protección diferencial proporcionan una protección altamente sensible, selectiva y confiable, garantizando el funcionamiento seguro y estable de los sistemas eléctricos.